特長
着脱式基礎
道路反射鏡・標識など小型構造物向けの着脱式基礎です。SP基礎を土中に打ち込み、上部構造物の支柱を差し込んで固定するだけのスピード施工が可能で、施工時間が大幅に短縮できます。
上部構造物の適用径
適用可能な上部構造物の直径は、φ60.5、φ76.3、φ89.1、φ101.6です。
仕様
【材質・表面処理】
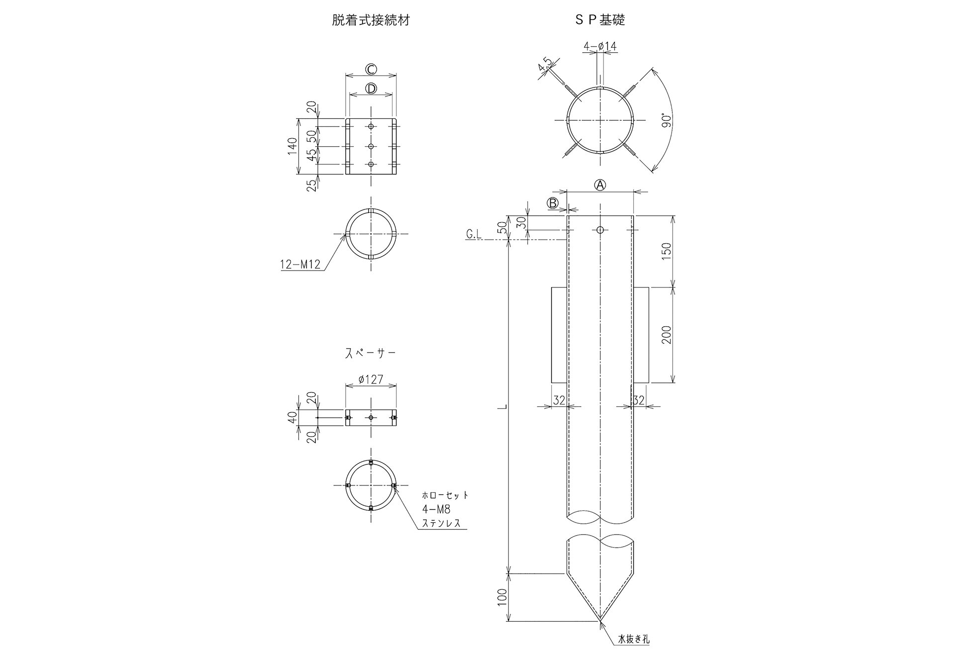
[SP基礎使用材料明細(単位:mm)]
| 上部構造物支柱径 | 種類 | SP基礎Ⓐ×Ⓑ(材質) | 脱着式接続材Ⓒ×Ⓓ |
|---|---|---|---|
| φ101.6 | SP-A-E | φ139.8×t4.5(STK400) | φ127.0×t10.0 |
| φ89.1 | SP-B-F | φ126.0×t4.5(STK400) | φ114.3×t8.6 |
| φ76.3 | SP-C-G | φ114.3×t4.5(STK400) | φ101.6×t8.1 |
| φ60.5 | SP-D-H | φ101.6×t4.2(STK400) | φ89.1×t7.6 |
施工手順
SP基礎は、上部構造物の支柱径によって種類が決まります。
SP基礎・脱着式接続材 外形図
SP基礎の根入れ長さは、上部構造物の横荷重とモーメントで決まります。詳細についてはお問い合わせください。